设为首页
登 录
注 册
首页
平台概况
新闻中心
仪器设备
成果展示
收费标准
规章制度
仿真资源
联系我们
个人中心
刻蚀
深硅刻蚀机
感应耦合等离子干法刻蚀机
测试
晶圆测试机
半自动光学目测机(AOI)
全自动芯片分选机(Sorting)
封装
全自动焊线机
全自动固晶机(AD838L)
全自动固晶机(Femto2)
切割
晶圆切割机
光纤激光切割机
皮秒激光切割机
减薄
晶圆减薄机
抛光
晶圆抛光机
浙江大学绍兴先进封装平台
电话:15063337358
传真:0531-85932887
邮箱:3776435380@qq.com
地址:浙江省绍兴市越城区
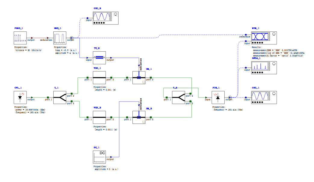
模型名称
铌酸锂调制器进行Interconnect仿真
模型结构
仿真说明
点击下载
仿真结果
点击下载